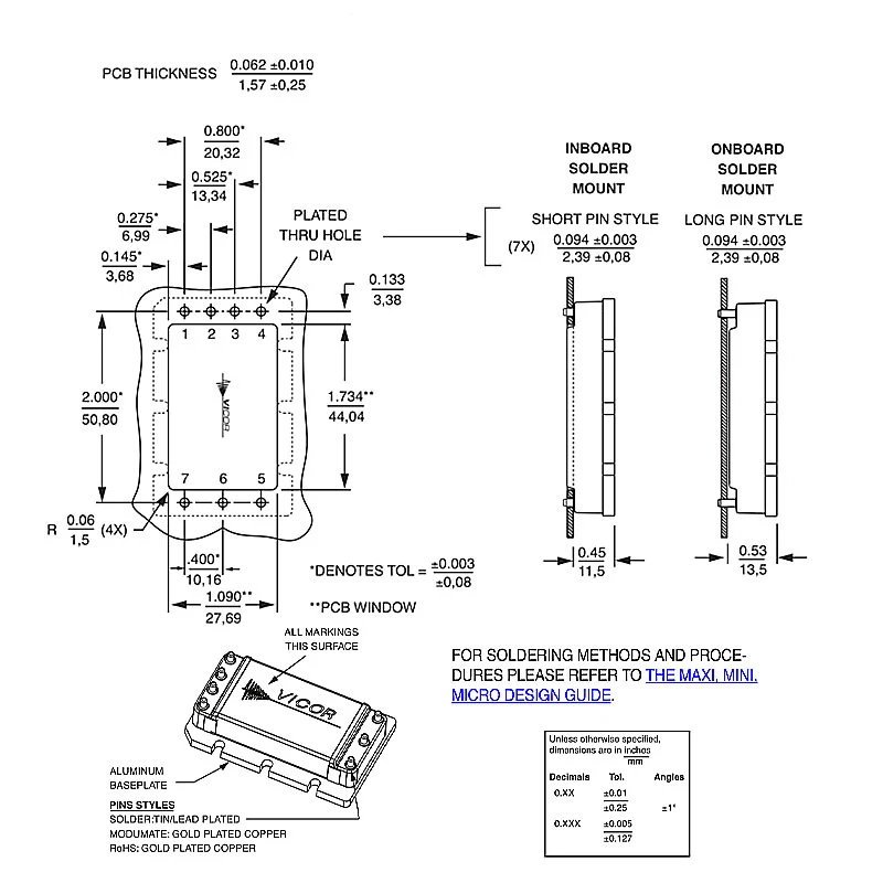
V24C48C100BL Power Module New Original Power Module
Price history chart & currency exchange rate
Customers also viewed

$64.02
Оригинальный блок системы чернил принтера для Epson L18050 L8050 L8168 L8188 L18058 L8058 L8180 L8160, крышка насоса в сборе 1880515 Аксессуар
aliexpress.ru
$16.78
12V 120Ah Li-Ion 18650 Battery Electric Vehicle Lithium Battery Pack 9V-12V 60Ah 80Ah Built-in BMS 30A High Current
aliexpress.ru
$7.26
STM32F413VHT6 STM32F423VHT6 STM32F469VET6 STM32F469VGT6 STM32F469VIT6 STM32F722VET6 STM32F STM32 STM IC MCU Chip LQFP-100
aliexpress.ru
$7.75
Benelli Gun с логотипом огнестрельного оружия Мужская футболка черно-белая B Праздничная футболка
aliexpress.ru
$101.99
Carbon Fiber Car Windows Control Panel Cover Trim For MINI Cooper F54 F55 F56 F60 Clubman Countryman Interior Accessories
aliexpress.com
$8.80
USB Mini Rechargeable Fan for Baby Stroller Handy Bladeless Fans 4000mAh Battery Clip-on Cooler Summer
aliexpress.com
$91.26
ANGELSBRIDEP Sweetheart Ball Gown Quinceanera Dresses For 15 Party Glitter Skirt Tulle Applique Cinderella Princess Gowns
aliexpress.com
$2.59
100 Pcs Ink Caps Tattooing Small Tattoo Cups Small Color Cup Ink Cup Tattoo Pigment Cups Ink Kit
aliexpress.ru
$244.99
Передняя дорожная дуга мотоцикла, нижний вентилируемый обтекатель ног, перчаточная коробка для Harley Touring Street Glide Ultra Road King 2014-2021
aliexpress.ru
$13.25
Новый дизайн, однотонные облегающие эластичные капри из денима с высокой талией, женские повседневные джинсовые брюки-карандаш
aliexpress.ru
$24.95
Автоматический зонт от дождя, Женский трехскладной зонт, традиционный мексиканский цветочный ветрозащитный зонт, женский водонепроницаем...
aliexpress.ru
$11.58
Переднее стекло для sm s7 edge, 2 шт., для G935, оригинальное, высококачественное, с трещинами, для ремонта сенсорного ЖК-экрана
aliexpress.ru
$4.80
Апертура дорога портал Керамические Кружки Кофейные чашки молочный чай Кружка апертура корпорация дорога известная дорога всемирно дорог...
aliexpress.ru
$2.00
50 шт., Usb-разъем для зарядного устройства, для Huawei Y600, Y511, Y530, Y535, Y535D, Y610
aliexpress.ru
$11.56
Лидер продаж 2023, кабель cat6a super six, бескислородный медный сердечник, экранирующая Хрустальная головка, джемпер, центр обработки данных, сердц...
aliexpress.ru
$20.42
Bluetooth-гарнитура OY631 с шумоподавлением, беспроводная гарнитура с расширенным беспроводным диапазоном и улучшенным комфортом
aliexpress.ru
$8.29
Цифровой мини-термометр-гигрометр, электронный комнатный Измеритель температуры и влажности с ЖК-дисплеем, 5 упаковок
aliexpress.ru
$3.61
1 пара полезных ламп указателя поворота, Пыленепроницаемая практичная фотолампа, долговечная лампа указателя поворота для мотоцикла
aliexpress.ru
$47.40
Модель 2021 в наличии, модель HG 1/144 INFINITY, grenрядом, MAZINGER Z Armor, разблокированный мобильный костюм, детские игрушки, аниме экшн-фигурка
aliexpress.ru
$518.00
Надувная подушка Nathaniel для водных прыжков, надувная водная катапульта с воздушным насосом
aliexpress.ru
$16.20
20 шт./лот YL наушники EHS64 Проводные 3,5 мм вкладыши с микрофоном для Samsung Galaxy S6 S7 S8 Edge поддержка смартфона
aliexpress.ru
$17.64
Передняя подставка для мотоцикла, держатель для GPS-навигатора HONDA REBEL CMX300 CMX500 CMX CM 300 500 17-21
aliexpress.ru
$12.80
Уличная Ультралегкая газовая горелка Aotu дискового типа, портативная газовая мини-горелка для кемпинга, 4000 Вт, газовая горелка
aliexpress.ru
$17.78
Ручка для рисования 3D с ЖК-экраном, совместимая с пла-нитью, безопасная для детей, подарок на день рождения, Рождество
aliexpress.ru
$32.05
2021 Black Deep V Neck Bodysuit Women Sexy Puff Sleeve Bodycon Jumpsuit Solid Elastic Casual Party Winter Bodysuits Body Tops
aliexpress.com
$24.74
women silk pajama sets satin pyjama sleepwear long sleeve large size fashion pajamas for girl nightwear suit home new, Black;red
dhgate.com
$0.83
12 solid colors frame for kids nerd eyewear frame children sunglasses fram no lenses baby party glasses jllxlv dh_garden, Black
dhgate.com
$0.78
1pc sile basting brush clear handle heat resistant pastry pancake bbq oil brush butter bak jllawh
dhgate.com
$14.91
AAA Quality For Xiaomi Redmi Note 4X LCD Display + Touch Screen For Redmi Note 4 Global Version LCD+Frame For Snapdragon 625
aliexpress.com
$42.63
big size 2019 designer gladiator high heels women shoes nude black spikes t-strap pump patent leather stud lady shoes summer
dhgate.com
$74.54
usb или батарея led tv подсветка полосы 1M 30 led 5050 smd led strip ip65 Водонепроницаемый Полный к
dhgate.com
$13.52
Motorcycle Body Protective CB 1000R Engine Protector Guard CB 1000 R Engine Cover Protection Case For Honda CB1000R 2018 - 2023
aliexpress.ru
$19.22
Аксессуары для четырехколесного пляжного картинга, 430 мм, встроенная подушка безопасности, амортизатор, амортизатор
aliexpress.ru















