USB Mini Humidifier Mist Driver Circuit Board Fogger Atomization Film Atomizer Sheet Diy Kits 2Pcs
График изменения цены & курс обмена валют
Пользователи также просматривали

$2.58
Однотонная Одежда для маленьких мальчиков и девочек, свитшот с длинным рукавом и круглым вырезом в стиле оверсайз, комплект спортивных брюк, осенне-зимний комплект одежды
aliexpress.ru
$19.26
plus size lingerie lace silk night dress ladies sleeveless nighties nightgown sleepwear nightwear women nightshirt, Black;red
dhgate.com
$16.91
chic solid blue party club tank shirts chain halter sleeveless deep v-neck tanks satin glossy summer sexy, White
dhgate.com
$29.43
ladies elegant party retro peacock feather long dress summer ladies fashion printed flowers sleeveless casual dress, Black;gray
dhgate.com
$77.56
Pet Wooden House Rabbit Guinea Pig Hutch Wooden Rabbit Guinea Pig House Triangle Pet Outdoor Running Cage Little Pet Supplies
aliexpress.com
$47.13
2 шт./компл. передняя вилка мотоцикла, амортизаторы, алюминиевая крышка трубки для Harley Sportster Nightster RH975 RH 975 2021-Up
aliexpress.ru
$8.36
Чехол для Xiaomi Redmi 9AT, противоударный защитный чехол для объектива камеры, автомобильный держатель, магнитный чехол для телефона для Xiaomi Redmi 9AT 9 AT, чехол for Redmi 9A
joom.com
$624.30
*All solid wood medieval style walnut partition cabinet retro new Chinese villa living room locker
aliexpress.com
$5.71
Сопло для мойки высокого давления, с быстроразъемным разъемом 1/4 дюйма, Регулируемый угол наклона распылителя 3000 PSI
aliexpress.ru
$99.88
YIHOUSE Наборы синих ковриков для ванной комнаты из пены с эффектом памяти, 5-х предметный ультравпитывающий коврик для ванной комнаты — нескользящий, можно стирать в машине и сушить Qu
aliexpress.ru
$28.37
C4DE Новые популярные педали MTB, нескользящие педали для горного велосипеда, широкий подшипник, легкий вес
aliexpress.ru
$43.71
Промышленный WiFi-роутер H927 с поддержкой 4G LTE и SIM-карты, внешней антенной, для использования на улице, до 16 пользователей WiFi
aliexpress.ru
$238.09
Заколка для волос Ele с кристаллами, женская заколка-краб, модные аксессуары для волос, оригинальный дизайн от Nana Jacqueline
aliexpress.ru
$19.17
Компактный автомобильный обогреватель Регулируемые настройки Быстрый нагрев для зимней размораживания и защиты от запотевания Безопасное использование и длинный шнур питания
aliexpress.ru
$1.26
1 Set Mooncake Maker Non-stick Mooncake Mold with Stamps DIY Hand Press Cookie Stamp Pastry Tool for Mid Autumn Festival
aliexpress.ru
$33.11
10-дюймовый универсальный картридж для фильтра для воды, полипропиленовый картридж с гранулированным активированным углем, замена фильтра для воды
aliexpress.ru
$530.08
Набор строительных блоков MOC Docking Bay 327 Star Battle, 9094 детали, высокодетализированная коллекционная модель для любителей винтажных моделей, рождественский подарок
aliexpress.ru
$47.07
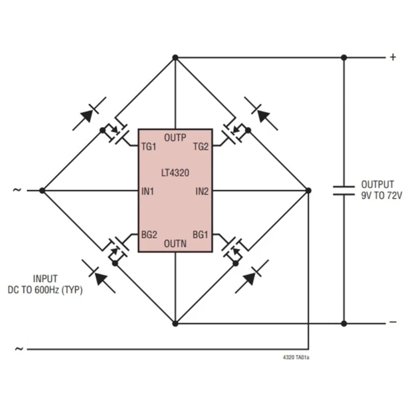
Идеальный диодный выпрямительный мост LT4320+NCEP023N10LL 6-48 В (DC 9-72 В) Входное напряжение переменного тока DC-60/600 Гц Входная частота переменного тока-A74P
aliexpress.ru
$15.08
Держатель для телефона на приборную панель Gravity Sucker 360° ° Вращающийся держатель для телефона на лобовое стекло для грузовиков, автодомов и других транспортных средств
aliexpress.ru
$68.31
Минималистичный напольный регулируемый по высоте стол-подиум для работы сидя и стоя, для школ, офисов, учебных классов
aliexpress.ru
$42.54
Однотонная накидка средней длины с летучей мышью, свободная посадка, молодежная модная ветрозащитная верхняя одежда, длинная куртка на молнии на осень
aliexpress.ru
$7.27
Iron Ladle Dredging Scoop Sturdy Round Design for Cleaning Drains Removing Mud Multifunctional Tool Home Construction Farm Use
aliexpress.ru
$5.14
Pearl Bracelet Versatile Bridal Bouquet Photo Charm Decorative Frame for Wedding Anniversary Keepsake Present Bouquet Charm
aliexpress.ru
$18.65
Женская обувь большого размера, весна 2024, новая модная обувь на плоской подошве, универсальная повседневная обувь с острым носком во французском стиле и мягкой подошвой
aliexpress.ru
$3.16
Kids Medieval Armor Wearable Shield Prop Plastic Knight Costume Role Play Cosplay Halloween Party Accessory Knight Costume Kids
aliexpress.ru









