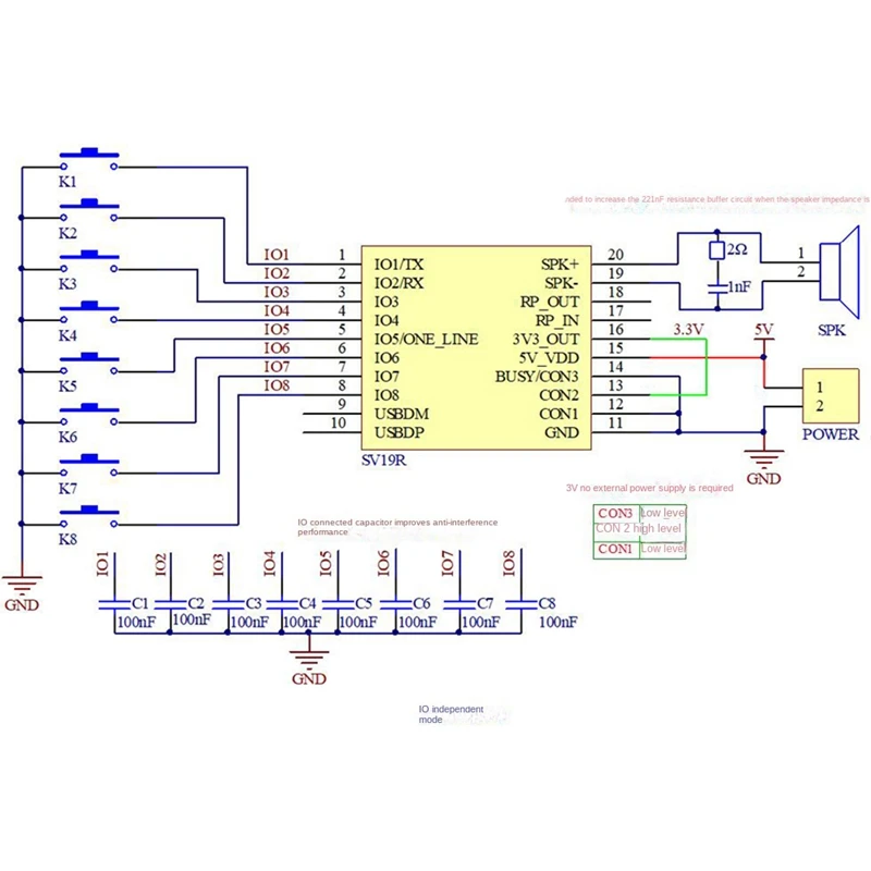
SV19R Voice Playback Control Module One-To-One Trigger Serial Port Control Segment Trigger MP3 Onboard Storage 3.7-5V
Price history chart & currency exchange rate
Customers also viewed

$2.86
Солнцезащитные очки для спорта на открытом воздухе очки для езды на мотоцикле очки для езды на велосипеде и лыжах очки для мужчин и женщин очки
aliexpress.com
$2.82
Крышка для ручки левого и правого переднего дверного замка для VW Passat B6 2006-2011 CC 2009-2017 3C0837879
aliexpress.com
$8.13
Simulation Fruit Slices Fake Fruits Artificial Apple Lemon Mango Watermelon Model Props Party Kitchen Home Decor 10pc/lot
aliexpress.com
$8.55
1~10PCS Rod Pole Rack Grip Plastic Universal Removable Stable Colorful Carp Fish Pole Support Stand Fishing Rod Support V Holder
aliexpress.com
$8.19
Outdoor Bathroom Temperature Tester LCD Display Floating Digital Pool Thermometer Swimming Pool Thermometer Spa Thermometer
aliexpress.com
$12.27
Женский купальник из особой ткани, бикини с высокой талией, 2024, женский купальник, комплект бикини из двух предметов, купальный костюм в рубчик, купальник
aliexpress.ru
$14.98
Плюшевая Теплая бутылка для рук Disney Stitch Angel Lotso, аниме бутылки для горячей воды, милая мягкая зимняя портативная теплая ручная сумка, Рождественский подарок
aliexpress.ru
$16.09
M7 Facial Hydra Microneedling Pen Automatic Serum Applicator HydraPen for Face Body Skin Care Tool for Home Personal Use
aliexpress.com
$51.13
Male Woolen Coat Solid Color Slim Mid-Length Windbreaker Warm Wear-Resistant Men's Wool Coat Business Formal Wear Casual Jacket
aliexpress.com
$41.37
Темно-зеленые лоферы, новинка 2023, Женская универсальная Повседневная Роскошная обувь из натуральной кожи, женская обувь для влюбленных, женские кроссовки
aliexpress.com
$31.22
Beige Down Jacket Women Coat Solid Belt American Stand Collar Streetwear Y2K Style Duck Down Feather Female Winter Black Outwear
aliexpress.com
$7.37
30A~100A Big Fuse 32V Auto Fuse Inserts Car Insurance Tablets Big Fuse Eith Lamp Car Inserts Fuse
aliexpress.com
$13.15
12/24 pcs Art Mix Lovely Colors 3D Acrylic Nail Art Dust Powder Decoration For Nail Polish Nail Art Decorations Tips Hot
aliexpress.com
$11.81
MAAP 2019 New Short Sleeve Cycling Jersey Summer Bicycle Clothes Bike Wear Cycling Clothing Ropa Ciclismo Hombre Uniformes C24
aliexpress.com
$31.06
2 mens polos t shirt fashion embroidery short sleeves turndown collar tee casual polo shirts m-3xl#121, White;black
dhgate.com
$25.32
Unique Switzerland Red cross Hollow Hand Wind Mechanical Pocket Watch Mens and Women Bronze Tone for Birthday Gift T2005024803138, Gray
dhgate.com
$2.32
Car Air Freshener Air Vent Outlet Clip Solid Fragrant Cute Astronaut Air Conditioner Fragrance Aromatherapy Interior Accessories
aliexpress.com
$9.48
Hot Sale 1Pair Kawasaki Fashion New Full Finger Motorcycle Gloves Motocross Luvas Guantes Moto Protective Gears Glove
aliexpress.com
$24.98
Blue Abstract Art Car Floor Mats Set, Front and Back Floor Mats for Car, Car Accessories
aliexpress.com
$22.38
Inture Sponge Volleyball Elbow Pressure Protection Sports Protective Belt Brace Support Brace Stabilizer Elbow Support 07MH122
aliexpress.com
$0.10
5g cosmetic empty jar pot eyeshadow makeup face cream lip balm container bottle cosmetic bottle packaging
dhgate.com
$49.58
men's sweatshirt hoodie autumn new style letters print patchwork o-neck long sleeves pullover sweatshirt poleron hombre, Black
dhgate.com
$44.75
baby rompers baby girl clothes unicorn kigurumi kids onesie anime monkey cosplay costume new born boy pajama flannel jumpsuit, Blue
dhgate.com
$35.73
Children's Dance Mat Home Multifunctional Jazz Drum Electric Piano Early Education Puzzle Music Game Mat Blanket
aliexpress.com
$245.00
DORAGRACE New Arrival Glamorous Crystal Beaded A Line Floor-Length Open Back Prom Gowns Evening Dresses DGE079
aliexpress.com





















