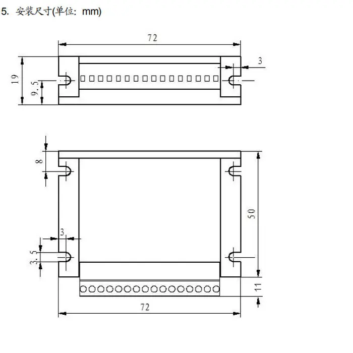
MLDS3605 Pulse+Direction Control Subminiature DC Servo Driver Hollow Cup Motor
Price history chart & currency exchange rate
Customers also viewed

$43.39
WDPOLO Весільна сумка Сумочка Жіноча 2023 Новинка Легка Розкішна Атмосфера Велика місткість Китайська вишивка Сумка для матері Жіноча сумка M
joom.com
$32.38
Великі жіночі босоніжки на високих підборах, модні смужки, м’які та дихаючі в’язані круглі товсті туфлі Новинка 36 бежевий
joom.com
$62.15
Transparent High Heels Ladies Fashion High Quality High Heels Crystal Heel Women Party Nightclub High Heels Crystal Heel 42 43 35 білий
joom.com
$33.56
Портативний автомобільний повітряний насос Автомобільний інструмент Портативний повітряний насос для автомобіля чорний
joom.com
$2.76
24 штуки для нігтів. Одяг для нігтів. Проста поступова зміна. Вітер. Одяг. Нос. для нігтів. Натискання на нігті.
joom.com
$15.54
Щеня Жує Ласощі Закуски Печиво для собак Корм для собак Іграшка для гігієни порожнини рота Шкіра Коров яча шкіра Паличка для чищення зубів Аксесуари для цуценят 220g calcium milk
joom.com
$26.45
CD JOS RAM N ENCINAR, COMMUNITY OF MAD - Casablancas: Siete Escenas De SYR33828 Non Japan Music Others Used
joom.com
$11.72
apgo Protective Skin Sticker for the back compatible with vivo U3, Wrap Film, Foil, Vinyl - Pattern Black Leather
joom.com
$18.53
Outdoor Chest Hanging D3CRM Wireless Fixed Buckle Portable External Fixed Walkie Talkie Hook Wire Velvet Sticker Accessories
joom.com
$2.78
Furniture Decorative Wooden Box Corner Protector Triangle Corner Furniture Protector Antique Corner Silver
joom.com
$41.26
RogueWave Vintage Double Waisted Lace Up Micro Flared Women Jeans Y2K Washed Wide Leg American Style Denim Pants Baggy Streetwear M
joom.com
$23.45
KADUWAKI Япония и Южная Корея модная повседневная рубашка с длинными рукавами и лацканами для кампуса в стиле ретро с открытым дизайном свободная простая джинсовая рубашка Camisas
aliexpress.ru![на заказ. [1059 Люди Удобрено] Витрина для салона красоты Подставка для геля для ногтей Многослойная стойка для хранения косметической подсветки Co
на заказ. [1059 Люди Удобрено] Витрина для салона красоты Подставка для геля для ногтей Многослойная стойка для хранения косметической подсветки Co](http://ae-pic-a1.aliexpress-media.com/kf/Sfe0eb0aa0f554b2f812d17f71603a1e2K.jpg)
$278.26
на заказ. [1059 Люди Удобрено] Витрина для салона красоты Подставка для геля для ногтей Многослойная стойка для хранения косметической подсветки Co
aliexpress.ru
$44.92
Li Ning Letter Logo Printed Quick-Dry Short Sleeve T-Shirt Unisex Tops White YTST049-1 XXL
joom.com![Authorized Godox Transmitter for Nikon Flash Trigger TTL HSS High Speed Sync Bluetooth Smart and Portable Large Screen [GODOX Dealer] XProII-N Camera,
Authorized Godox Transmitter for Nikon Flash Trigger TTL HSS High Speed Sync Bluetooth Smart and Portable Large Screen [GODOX Dealer] XProII-N Camera,](http://img.joomcdn.net/70d44e700a8c5ee3d87e5f026a2e7f8f4d5d7b68_original.jpeg)
$190.41
Authorized Godox Transmitter for Nikon Flash Trigger TTL HSS High Speed Sync Bluetooth Smart and Portable Large Screen [GODOX Dealer] XProII-N Camera,
joom.com
$7.57
Метеостанция Ritmix CAT-100 White часы будильник, термометр, подсветка экрана, датчик освещения
kotofoto.ru
$0.83
ukraine flag trident symbols necklace handmade tryzub ukraine round glass pendant fashion jewelry patriot gift party favor cpa4339 0323
dhgate.com
$18.82
ice cube ice box ice ball ice cube mold ice mold ice maker ice pin round silicone ice cube
fordeal.com
$184.07
highest women 2021 multi-colored super king sneakers luxury designer men's campaign women's casual shoes top, Black
dhgate.com
$104.27
multicolor leather rattan pattern ladies bag evening bags handbag shoulder purses wallets tote crossbody bag handles thread round satchel lu
dhgate.com
$132.25
men's jeans black loose fit big fashion brand youth print fat casual small foot harem b7g2, Blue
dhgate.com
$18.97
jaycosin women casual new fashion cat prints drawstring pants leggings dropshipping z1127, Black;white
dhgate.com
$77.17
2020 небольших кожаных ботинки низкого каблука круглого носок британского стиль оксфорд обувь толстые единственная случайная весь матч женщи, Black
dhgate.com
$19.33
diver ешьте сна дайвинг repeat с 1991 подарок тенниска мужчины customize хлопок s-xxxl оригинал сумасшедшая дышащий весна осень обычная руба
dhgate.com
$23.84
mens zipper fly ovesize hoodeies весна дизайнер с капюшоном шеи сплошной цвет куртки самцы плюс размер повседневные толстовки, Black
dhgate.com
$30.94
populaire mannelijke zwarte риддер тис маар een крас monty python футболка 3d print man tee рубашки спорта с капюшоном hoodie
dhgate.com
$54.47
mini drones with camera hd profissional rc helicopter selfie drones dron quadcopter micro remote control Real-time aerial fold
aliexpress.com
$5.69
10/20/50/100Pcs Anti Dust Droplets Replaceable Mask Filter Mask Insert 100pcs Paper Haze Mouth Mask PM2.5Filters
aliexpress.com
$5.62
Знаменитый рэпер Eminem Rock Camisetas, повседневная дышащая удобная футболка из 100% хлопка, забавная мужская футболка, мужская футболка
aliexpress.ru
$7.45
With Screws Bicycle Fork Tube Cap Bike Headset Spacers Bicycle Grip End Cap Bike Bowl Sealed Cap синий
joom.com




![LacoSte Men S Boucle Pullover [navy] 004
LacoSte Men S Boucle Pullover [navy] 004](http://img.joomcdn.net/554f91387f04f026e6742e66ef54db64fb3dcac2_original.jpeg)











