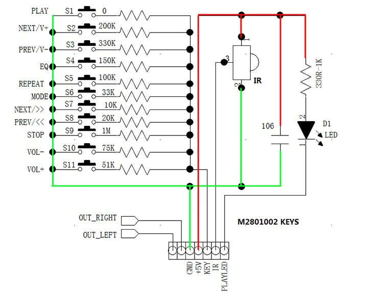
M2801002 lossless WAV MP3 decoder board mp3 decoding module TF card DC 3.5V-5V POWER
Price history chart & currency exchange rate
Customers also viewed

$13.33
Черная поясная сумка из качественной искусственной кожи для женщин, забавная модная нагрудная Сумочка через плечо, комплект из 2 сумочек, женский ремень-бананка
aliexpress.com
$25.49
Car Auto Parking Camera Monitors System, IR Night Rear View Camera With 4.3 inch LCD Car Mirror Monitor Camera WF
aliexpress.com
$38.12
Motorcycle 40W fog lights LED Auxiliary Fog Light Assemblie Driving Lamp For BMW R1200GS ADV F800GS F700GS F650GS K1600
aliexpress.com
$49.34
Under Armour Футболка Project Rock Johnson Series с принтом в виде животных, повседневная, с круглым вырезом и коротким рукавом, мужская, черная 1383220-001
joom.ru
$52.05
Frenchy Женское платье больших размеров, Однотонное, с V-образным вырезом, расклешенными рукавами, элегантное для весны/лета Shein, абрикосовый
cdek.shopping
$8.00
Новые 3d модель, рельеф для ЧПУ в формате файла RLF 1_from_14 _ Иисус все сцены Креста
aliexpress.ru
$7.73
Женские сексуальные платья с длинным рукавом и капюшоном для вечеринки, осенне-зимние свитшоты с завязками спереди, повседневные платья с д...
aliexpress.ru
$13.99
Кемпинг Тент аварийный светильник 30 Вт супер яркий COB светодиодный Перезаряжаемые открытый Портативный Водонепроницаемый лагерный фонари...
aliexpress.ru
$19.20
men shoes Sneakers Male tenis Luxury shoes Mens casual Shoes Trainer Race off white Shoes fashion loafers running Shoes for men
aliexpress.ru
$4.10
Украшение для комнаты в виде сердца для девочки, настенная наклейка, романтическое перо, подвеска, праздничный подарок, украшение для дома
aliexpress.ru
$162.56
Блок питания для татуировки роторная ручка с картриджами иглы для перманентного макияжа бровей микроблейдинг профессиональный набор для т...
aliexpress.ru
$80.40
Модель космического шаттбола в наличии 10283, строительные блоки, космическое агентство Discovery, Космический Шаттл, кубики, креативные игрушки д...
aliexpress.ru
$2.62
VR/AR Glasses Accessories 2021 Silicone Eye Mask Cover Pad For Oculus Quest 2 VR Glasses Accessories US VR/AR Glasses
aliexpress.com
$30.07
2pcs Outdoor Patio Travel Hanging Light Camping Vintage Style Tent Garden Portable Lantern With Handle Hiking Solar Powered Yard
aliexpress.com
$46.76
new basketball shoes for men dmp bred 3 fire red grape shattered backboard infrared 23 designer mens trainer sport sneaker size 40-46
dhgate.com
$73.52
GENTOS LED x C Batteries Powerful 1000 Handheld Flashlight RX-323D Flashlight, Battery-Operated (3 (Sold Separately)), Lumens, чёрный
joom.ru
$34.64
Весна и осень женские повседневные свитера топы однотонные V-образный вырез трикотажный свитер пуловер трикотажный L темно-оранжевого
joom.ru
$11.11
Сплавной браслет с 3 сверкающими бриллиантами и акцентом из белого перламутра Модный аксессуар для стильных повседневных ювелирных изделий серебряный
joom.ru
$14.79
Красивая мужская футболка с принтом «Ловля карпа» 3D, модная летняя футболка Harajuku с коротким рукавом, уличный стиль, унисекс 2XL
joom.ru
$12.64
Силиконовый защитный чехол для Apple AirPods Max - однотонный мягкий чехол, комплект из трех предметов three piece suit чёрный
joom.ru
$44.68
Модное зимнее пальто женское парки с капюшоном съемные рукава свободные толстые теплые женские куртки 2XL хаки
joom.ru
$36.55
Женские модные лоферы 2025Круглый носок Индивидуальность Большая голова Слипоны Универсальные одинарные туфли На высоком каблуке На толстой подошве Женская обувь 36 чёрный
joom.ru
$7.37
защитный Мягкий чехол Чехол для телефона Для VIVO Y36 4G Мультяшный ТПУ Рукав для карт Силиконовый Слот для карт Полная обертка Граффити Задняя крышка VIVO Y36 4G
joom.ru
$27.19
Длинный рукав Женский ретро принтованный топ Легкий базовый свободный жакет Кардиган Повседневные рубашки Рождество XXXXL белый
joom.ru
$55.51
Эксклюзивный двухсторонний сдвижной чехол для ключа Lexus Чехол для ключа Брелок Кожаный Совместимый с Новым Lexus LFA MPV LM350 LM350h LM500h Версия LM500h синий
joom.ru
$25.40
Роскошная сумка через плечо с узором аллигатора для женщин, цепочки-бабочки, сумки подмышки, модная женская сумка подмышками 24*7*17.5cm жёлтый
joom.ru
$15.29
Геометрические обои в виде шестиугольников, самоклеящиеся, съемные, виниловые, для спальни, домашнего декора 45cmx1M
joom.ru
$27.25
Плюшевая игрушка Жираф Симуляция Олень Кукла Тряпичная кукла Детская Успокаивающая Подарочная Подушка Подарок Женский 30cm/0.07kg синий
joom.ru
$5.65
1 шт. серебряная цветная цепочка со звездой, двойное отверстие для уха, гвоздь для ушной косточки, модные серьги Y2K для женщин, ювелирные изделия OneSize
joom.ru
$49.65
Женские сандалии на высоком каблуке 11 см с заклепками, женские босоножки на шпильке, блестящие туфли-лодочки для зачистки, летние фетиш-обувь с ремешками 31 чёрный
joom.ru





















