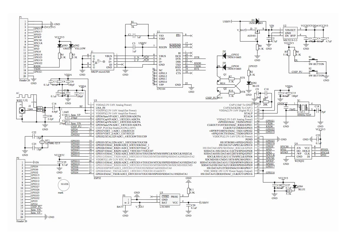
Development Board Widora-AIR V6 Nodemcu Dual-Core Wireless WIFI BLE Module Serial Port Internet of Things Compatible Arduino
Technical Details
| Brand Name: | Aihasd |
| Condition: | New |
| sku: | F000809 |
| Type: | other |
Price history chart & currency exchange rate
Customers also viewed

$24.05
Защитное кольцо цепи мотоцикла для Yamaha Tenere700 TENERE 700 Rally T7 RALLY 2019-2022 XTZ700 / XT700Z Tenere
aliexpress.ru
$17.65
2023 Player 2.0'' Metal MP4 Music Player HiFi Bluetooth 5.0 MP3 Support Card Built-in Speaker With FM Alarm Clock E-Book Player
aliexpress.ru
$24.69
lgbt lesbian gay pride womenmen hoodies sweatshirts streetwear hip hop fleece pullover hooded jacket love is love lgbtq clothes6929818, Black
dhgate.com
$18.79
plz swag design baseball cap funny skull embroidery cap men hip hop caps embroidered logo summer sun hat trucker hats for women8756056, Black;white
dhgate.com
$12.67
Футболка Little Star Girls р. 116-122 Кремовый, L11621Y1945X (доставка из-за рубежа), L11621Y1945X
goods.ru
$15.96
chains doreenbeads punk style copper necklace gold color metal round star shell leaf charms link collar choker women gifts, Silver
dhgate.com
$58.09
Seasixiang Fashion Designer Spring Jumpsuits Women Ruffles V-Neck Flare Sleeve Hit the Color Office Lady Long Straight Pants
aliexpress.com
$119.99
MEE Audio Matrix Cinema Bluetooth Wireless Headphones AptX Low Latency CinemaEAR Audio Enhancement Clearer Sound In TV Shows
aliexpress.com
$10.87
ИД Мубарак Рамадан флажки баннеры исламский фестиваль Декор для вечерние Ринок набор вечерние ных шаров для вечерние ринки Свадебный декор
aliexpress.com
$13.78
Shoes Cover Toe Slippers Casual Square heel Mules For Women 2022 Loafers Low Slides Pantofle Luxury Block Summer New Rome Fashio
aliexpress.com
$21.87
Women Summer Fashion Solid High Waist Tie-up Pants Office Casual O-Neck Romper Lady Spring Elegant Sleeveless Playsuit Overalls
aliexpress.com
$15.26
Children's Shoes For Girls Summer Girl Sandal Non-slip Lightweight Children's Flat Shoes Sandals Summer 2022 Kids Slippers
aliexpress.com
$57.07
Woman Sexy Suspender Dress Design Sense Zipper High Neck Solid Color Belt Diamond Luxury Package Hip Skirt Casual Short Skirt
aliexpress.com
$24.88
Romantic Rose Bouquet Crative Bouquet Building Block Wine Heart Rose Aromatherapy Bouquet Toy Girl Valentine's Day Gift
aliexpress.com
$8.73
Spring Autumn Summer Women's Sneakers Solid Color Mesh Breathable Flat Breathable Shoes Young Casual Walk Shoes
aliexpress.com
$9.50
Microbrush 100PCS/Lot Disposable eyelash microbrushes Extension Tools Individual Eyelashes Removing Tools Arison Lashes
aliexpress.com
$48.38
Spot Welder Rechargeable, Portable Spot Welder Machine, Spot Welding Equipment Energy Storage 7500Mah For DIY Battery
aliexpress.com
$28.29
Abayas Arabic Muslim Women Long Dress Islamic Clothing Dubai Caftan Turkey Vintage Ramadan Spring Summer Vestido Party Gown 3XL
aliexpress.com
$34.45
Hatsune Miku Anime Kawaii Snow Princess Q Version PVC Action Figure Model Decoration Collection Toy for Kids Free Shipping Items
aliexpress.com
$38.28
KZD S925 Sterling Silver Temperament Moissanite Simple Personality Ring Full Of Diamonds Low Luxury Round Four-Claw Ring
aliexpress.com
$3.49
Celestial Female Empowerment Poster Nude Boho Canvas Painting Line Art Print Norbic Wall Picture For Living room Home Decor
aliexpress.ru
$214.00
Xiaomi Booster S LCD Display Massage Gun Electric Body Massager Therapy Fascia Gun Fitness Angle Adjustable Muscle Stimulator
aliexpress.com
$3.51
Wltoys1/18 A949 A959 A969 A979 K929 remote control car metal upgrade parts steering group
aliexpress.com
$3.88
For iPhone 13 Colorful Starry Sky Transparent Phone Case For iPhone 12 Pro Max case For iPhone 11 Pro Max Protection Back Cover
aliexpress.com
$1.09
2022 тонированная тушь для ресниц густая стойкая водостойкая стойкая тушь для макияжа стойкая к поту завивающая тушь 6 цветов для макияжа гла...
aliexpress.com
$12.41
Пластиковая Флейта с 8 отверстиями, 4 упаковки, с чистящим стержнем и инструкцией, в немецком стиле
aliexpress.com
$77.47
men's shoes 2019 autumn new fashion trend casual shoes sneakers increased breathable low-top running sneakers men
fordeal.com
$28.09
autumn and winter 2019 new korean version of the baby girl foreign style fur coat idea9282 children lamb hair clothes-alibaba
fordeal.com
$48.54
Dining chair modern minimalist desk and chair home dining room backchair computer chair solid wood Nordic dining chair
aliexpress.com
$9.06
2018 WOMEN'S Dress Korean-style Floral Dress Mid-length White Dress New Products-Style Elegant Europe And America Retro Women's
aliexpress.com
$27.14
Мужская куртка-пальто в стиле Y2K: деловая униформа, летняя, теплая, мягкая, в стиле милитари/военном, для пилотов, красная, в западном стиле, для мужчин
aliexpress.ru
$50.35
Складные стойки для складных столов. Прямая изогнутая ножка, прочные удлинители складных ножек стола. 2-уровневые удлинения ножек стола.
aliexpress.ru















