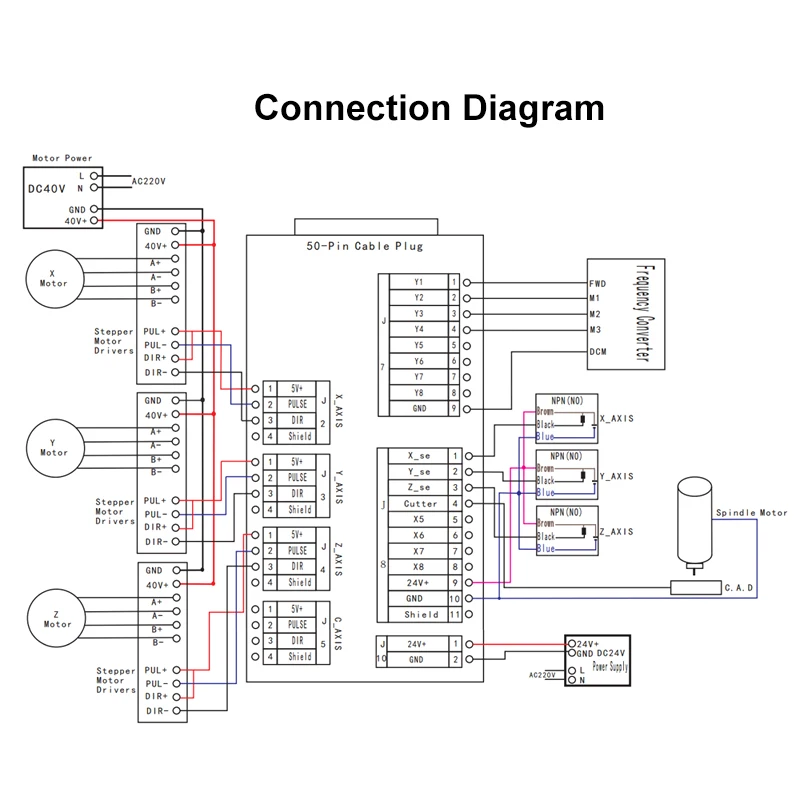
Advanced One-Step Service To A11E Cnc Controller Kit: Cnc Driver Card+Connect Cables+ 3 Axis Controller
Price history chart & currency exchange rate
Customers also viewed

$107.25
KOTOBUKIYA Megami Device Chaos Pretty Червона Шапочка Висота 150 мм масштаб пластикова модель KP614 & прибл.. 1/1
joom.com
$172.83
Електричний чайник з гусячим носиком 1200 Вт з регулюванням температури Електричний чайник для кави та чаю Чайник Кавник 110 В/220 В EU чорний
joom.com
$14.85
Retro Jazz Hat, British Versatile Party Street Style Western Cowboy Hat Men S And Women S Top Hat M(56-58cm) фіолетовий
joom.com
$1.78
1 шт. Міні-смоляний олень, різдвяний ліс, лось, білий десерт, декор для столу Веселого Різдва, декор для дому, дітям, річний подарунок
joom.com
$3.15
Модні геометричні сережки-затискачі Hecheng - шикарний європейський та американський стиль платиновий
joom.com
$53.60
Detachable Desktop Air Conditioner Fan USB Powered Small Air Cooler Spray Fan for Home
joom.com
$18.90
Pet Diapers Aunt Pants Male Dog Diaper Anti-side Leakage Physiological Pants Female Dog Sanitary Napkins Pet Safety Underwear
joom.com
$12.95
Neon Retro Bigfoot Roller Skating Shirt Sasquatch 80s Skater Graphic T-Shirt Men Clothing Cotton Daily Four Seasons Tees XXXXXL бежевий
joom.com
$20.57
Жіноче взуття 2025 Trend Жіночі західні черевики на платформі з круглим носком Однотонні ботильйони ПУ Осінні черевики Жіночі осінь зима Великий розмір 36 чорний
joom.com
$134.75
Asbel trash can with living with made in Japan lid, room, 38L, 20L+18L, sorting, 2-stage pedal, slim, gasket, white, білий
joom.com
$8.45
Дитяче трико без рукавів для дівчат Танцювальна гімнастика Тренування Танцювальний одяг Гімнастика 15-16 Years фіолетовий
joom.com
$152.19
Li-Ning 1990 Comfortable Versatile Shock Absorbing Wear Resistant Lightweight Low Top Sneakers Men Sneakers Deep-Blue ALFR103-2 41
joom.com
$18.07
Міні-кульовий кран з нержавіючої сталі 1/2 NPT внутрішня x внутрішня, запірне обертання на 90°
joom.com
$4.10
Musical Ornaments Hand Operated Music Box Acrylic Creative Crafts Ornaments Home Decor Jingle Bells
joom.com
$4.89
Кулінарні кухонні фартухи, повна упаковка, нагрудник для дорослих, мультиплікаційний ведмідь, кулінарний халат, ресторан
joom.com
$47.25
Motorcycle Ninja400 Frame Slider Falling Bumper Protectors Crash Pad Crashguard Protector for Kawasaki Ninja 400 Z400 2016-2022
aliexpress.com
$39.59
Противоскользящая пластина для мотоцикла, защитная крышка двигателя, защита шасси, защита для живота для BMW G310R G310GS
aliexpress.ru
$10.54
3 фута x 5 футов темно-синий и коврик с узором в виде гирлянды для прихожей и гостиной
aliexpress.ru
$15.22
Значок, значок, значок, светлый значок, зажимы для катушки, полупрозрачный с поворотным зажимом «Аллигатор», держатель для значка
aliexpress.ru
$14.99
2022 зеленая забавная Футболка для беременных женщин для беременных рубашка для девочек Новая одежда большого размера для мам одежда для дет...
aliexpress.ru
$1.09
10PCS/lot No Fade Stainless Steel Charm Love Heart Personalize Rainbow Pendant Accessories Making DIY Necklace Jewelry Finding
aliexpress.ru
$2.42
33 Styles Gold Titanium Steel Tassel Luxury Necklace for Women Zircon Collar Chain Vintage Charm Pendant Jewelry Gift for Girls
aliexpress.ru
$82.76
Интеркулер для автомобиля 13717604033, шланг для зарядки с датчиком давления впуска для BMW F22, F25, F26, F34
aliexpress.ru
$3.22
Rubber Plastic Conspicuous Rubber Beans Connectors Flotador Pesca Fishing Floats Drift Tail Green Connector -S
joom.com
$34.81
Магнитный анаморфный объектив 1,15x широкоугольный видеосъемка видеоблогов для DJI Osmo карманная Карданная камера широкоформатный объектив
aliexpress.ru
$52.00
Модный мужской уличный рюкзак из высококачественной искусственной кожи, Удобная дорожная черная молодежная сумка для компьютера
aliexpress.ru
$20.44
sandals women summer flat pearl flip flops rome shoes string bead slippers mujer gladiator sandalias sapatos femininos, Black
dhgate.com
$32.33
Quality Comfortable Casual Shoes For Men Custom Vintage Polynesian Tribal Pattern Fashion Male Breathing Casual Sport Shoes Men
alibaba.com
$65.00
Autumn Winter Sweat Suits Men Casual Sports Suit Men's Fashion Plus Size hooded Jacket Pants Set Men Joggers Sportswear Gym Wear, Picture
alibaba.com
$80.00
vegan makeup waterproof foundation private label cosmetics make up foundation powder, Single color
alibaba.com
$2.90
Solid Initial Yellow 18K Gold Square Locket Pendant Hollow-Carved Necklace with Crystal for Women With Rope Chain
alibaba.com
$9.59
1500mah battery 250ml Disinfection Strong Blue Light Anti Clogging Long Nozzle Cordless Nano Mist Spray Gun Sprayer, White / deep gray
alibaba.com
$11.01
Mpow Gravity Car Phone Mount Auto-clamping Hands-free CD Slot Car Phone Holder with Auto Lock Auto Release for iPhone Samsung
aliexpress.com
$15.69
Полки для аксессуаров для ванной комнаты, Алюминиевые Современные угловые полки для ванной комнаты, стеллаж для хранения шампуня
aliexpress.ru
$23.12
Дисплеи для деревянных браслетов, прямоугольные, покрытые тканью, черные, 35x24x3 см
aliexpress.ru
$20.37
Платье без рукавов WEPBEL женское, пикантное Плиссированное однотонное платье с пуговицами и оборками, с V-образным вырезом, с вырезами, на лето
aliexpress.ru
$26.43
halloween cosplay chilen men's and women's wtern cowboy style cloth parent-child campus party costum, Black;red
dhgate.com
$9.34
Portable Activated Carbon Water Purifier Household Net Kettle Water Filter Pot Filter Cold Water Teapot Large Capacity
aliexpress.com





![SKAGEN SKW2692 [продукт]
SKAGEN SKW2692 [продукт]](http://img.joomcdn.net/87f8cd20f96079193f46006a7a6d5db8bb908b05_original.jpeg)







