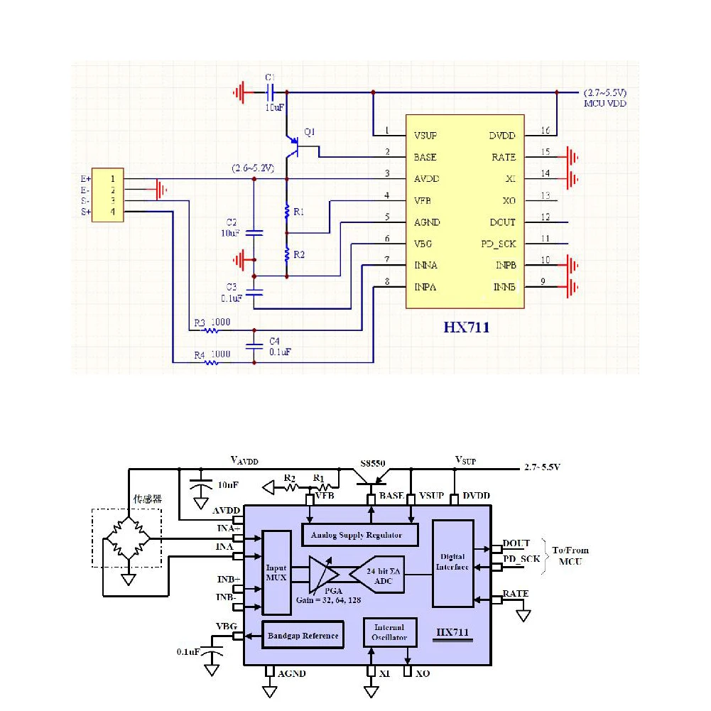
4set HX711 AD Module 10kg Load Cell Digital Portable Electronic Kitchen Scale Weight Weighing Sensor YZC-133 for Arduino RPI
Customers also viewed

$1.05
Impression Mince Mince IMD IMD Flexible TPU Anti-Scratch Clear Skin Protective Phone Case Pour Samsung Galaxy S22 Ultra 5G - Fleurs Bleues, Samsung Galaxy S20 FE
tvc-mall.com
$4.99
Yanleyu Сертифицированный оригинальный белый золотой цвет ювелирный солитер 2 карата фианит CZ Свадебные обручальные кольца для женщин PR416
aliexpress.ru
$75.95
4K1941501A Car LHD Touch Version Headlight Switch Control Unit for Audi A6 C8 A7 Q7 Q8 E-TRON 2019-2022 4K1 941 501 A
aliexpress.com
$26.79
OOTN Elegant Satin Lapel Shirts Suits 2023 Vintage Green Puff Sleeve Tops Zipper Mid Waist Pants Two Piece Sets Outfits Women
aliexpress.com
$1.87
KIMAXCOLA pro бит безопасности и коническая насадка для фрезера Бур для маникюра из карбида сверло для ногтей, маникюр, машинка для маникюра, инструменты
aliexpress.ru
$25.61
Тренч NINI WONDERLAND Женский, длинный хлопково-льняной однотонный винтажный Топ, свободная одежда, весна-осень 2021
aliexpress.ru
$16.17
Бархатное плюшевое одеяло для девочек, покрывало с объемным рисунком лошади, покрывало для путешествий, 05
aliexpress.ru
$118.99
HOTA D6 Pro AC 200W DC 650W 15A * 2 Двухканальное зарядное устройство для аккумуляторов NiZn/Nicd/NiMH
aliexpress.ru
$4.38
Наволочка из смеси хлопка и льна Оскар Исаак, актер, певец, модная декоративная наволочка высокого качества для дома, наволочка 45x45 см
aliexpress.ru
$17.51
GOINHOT 300 шт./лот спортивная гимнастика 30x10 мм спортивная девушка кулон аксессуары для изготовления ювелирных изделий
aliexpress.ru
$27.29
Stainless Steel Release Massage Relaxing Tools GuaSha Scraping Plate Board Muscles Skin Massager Physical Therapy Chiropractic
aliexpress.com
$40.24
2019 quality brand sandals slippers designer slippers summer sandals beach slide fashion scuffs slippers casual shoes 35-46, Black
dhgate.com
$3.16
For iPhone XS / X Printed Double Buckle RFID Anti-theft Phone Case(Dried Flower World)
sunsky-online.com
$803.26
Системный блок K&K computers Intel Core i5-10400F + GTX 1650 4Gb, Black (160387), K&K Basic Plus 10400F16G500M2HDD2000600W16504GB
goods.ru
$150.29
Синие кварцевые часы Storm Mera Siver Lazer из нержавеющей стали — 47500/s/lb, черный
cdek.shopping
$18.38
Cartoon Car Shaped Divided Baby and Toddler Plates Non-Slip Unbreakable Children Dinner Plates Dinnerware New
walmart.com
$23.73
spring hoodies suit solid casual tracksuit women vintage 2 pieces set sports sweatshirts winter pullover home sweatpants outfits 210930, White
dhgate.com
$32.98
beach cover up bikini sequins swimwear coverup sarong wrap pareo skirt swimsuit stuff clothes for women2103578
dhgate.com
$52.05
women yoga sleeveless mesh tanks vest pleated wrinkled sports blouse fitness yoga quick dry solid color fashion outdoor yoga 4641026, White;red
dhgate.com
$29.95
women sweet fashion floral embroidery knitted vest sweater vintage v neck sleeveless female waistcoat chic 210507, White
dhgate.com
$26.78
chess games 1 set electric lottery machine party mini jackpot deskgame gaming supplies 2211146127764
dhgate.com
$37.05
sunglasses 2023 new small frame frameless square male and female leopard head metal sunglasses cheetah 2243, White;black
dhgate.com
$42.00
High Quality Spring Women's Black Lace Patchwork Bodycon Bandage Dress Sexy One Shoulder 2022 New Asymmetric Club Party Dress
aliexpress.com
$88.35
312g C4-6 Natural Purple Creedite Mineral Crystal Specimen Collectibles Gifts Ornaments From Guizhou Province China
aliexpress.com
$20.52
Suitable for Logitech Manual Gear Manual Gear Upgrade Assembly G29 G27 G25 Gear Series Gear Upgrade Assembly Z0Z6
aliexpress.com
$23.66
Светодиодная лампа с автоматической сигнализацией, энергосберегающий светильник на солнечной батарее, с дистанционным управлением, с датч...
aliexpress.ru
$7.45
Женский трикотажный пуловер, свободный однотонный пуловер с глубоким V-образным вырезом и длинным рукавом
aliexpress.com
$13.20
Women Push-up Padded Bandage Bra Bikini Set Thong Swimsuit Swimwear Bathing Suit
aliexpress.com
$62.18
2 в 1, Смарт-часы T91, браслет, большой экран, Bluetooth, телефон, музыкальный плеер, фитнес
aliexpress.com
$69.30
Xiaomi Redmi 4X smartphone 16G/32GB Googleplay smartphone inch5.0 4000mAh HD screen Snapdragon 435 13.0MP rear camera
aliexpress.com





















