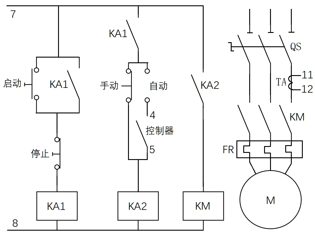
Feed controller Wood chip machine Granulator controller Crusher conveyor belt Automatic feeding Feed
Price history chart & currency exchange rate
Customers also viewed

$44.23
20837967 25972342 Rear Liftgate Control Module For Cadillac SRX 2010 11 2012-2015 22908035 22796263 20816435 20954189 20837967
aliexpress.com
$11.09
2 Pc Mini Tools Garden Multi-function Shovels Multi-purpose Outdoor Durable Stainless Steel Flower Child
aliexpress.com
$3.55
1Pc 30 LED Sewing Machine Lamp Multifunctional Flexible Work Lamp Industrial Lights For Lathes Drill Presses Workbenches
aliexpress.com
$24.20
SUCH AS SU Womens Autumn Winter New Arrival Ladies Skirts Pockets Pleated High Waist Lady PU Leather S-3XL Size Skirts Female
aliexpress.com
$2.95
Stuffed Turtle Slap Bracelet Plush Slap Bracelet Stuffed Animal Slap Wristband Stuffed Slap Bracelet
aliexpress.com
$4.70
Storage Bag For XBOX Elite 2 Wireless Controller EVA Zipper Handbag Portable Hard Protection Bag Storage Case VR Accessories
aliexpress.com
$28.00
Newest CF258A CF259A CF276A Compatible Reset Toner Cartridge Chip For HPP LJ Pro M404DW M404DN MFP M428FDW M428FDN Priner Chip
aliexpress.com
$3.77
raisjnhk new type creative plastic cute will turn the eyeball round funny party glasses entertainment game novelty toys ramadan gift
fordeal.com
$15.74
retro handmade weave real leather punk bracelet belt for apple watch band 45mm 41mm 38mm 40mm 42mm 44mm series 1 2 3 4 5 6 7 se apple iwatch strap
fordeal.com
$41.43
mitchell ness nba detroit pistons 1988-89 season isiah thomas 11 blue retro basketball jersey
fordeal.com
$5.71
3pcs razor portable eyebrow trimmer epilator set eyebrow razor makeup stainless steel eyebrow trimming tool
fordeal.com
$84.74
jiabei star four seasons baby sling multifunctional pure cotton baby sling baby waist stool child sling maternal and infant products
fordeal.com
$24.50
Машинка игрушечная Wader «КонсТрак. Трактор-погрузчик», «КонсТрак. Трактор-погрузчик»
top-shop.ru
$66.71
european and american custom pearl necklace shawl fashion accessories processing and production
fordeal.com
$113.33
cross-border hot sale shoes new style square snake sandals women's 2021 european and american high heels diamond strap women's shoes large size fashi
fordeal.com
$17.11
Туника G&M k-80176 универсальный - Размер цвет горчица, Туника G&M k-80176 универсальный 42-48 Размер цвет горчица
rozetka.com.ua
$64.12
cardile crocodile backpack large-capacity junior high school and college student bag cool casual wild sports backpack men
fordeal.com
$9.07
multicolor micro-shimmer pearlescent three-color eye shadow for beginners golden brown coffee earth color eye shadow tray portable matte girl series
fordeal.com








